
Pillow-Sham Holder (James P. Williams, No. 634,784)
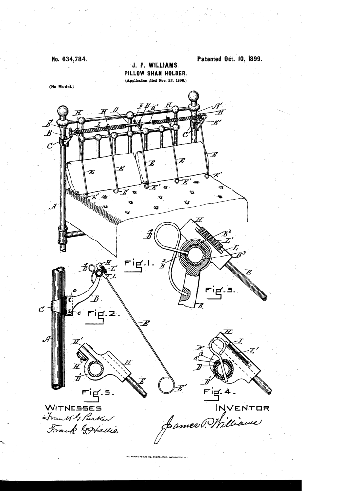
The patent by James P. Williams of Boston, Massachusetts, describes a new and useful improvement in Pillow-Sham Holders (Patent No. 634,784, 1899). The object is to create a simple, convenient, and easily-adjustable device that supports and displays a decorative pillow sham on a bed.
Inventor Background: James P. Williams
James P. Williams was an inventor focused on domestic and utility hardware. His invention addresses a specific need in bedroom aesthetics and convenience, providing a solution for neatly displaying large, decorative pillow shams (which cover the bed during the day) by holding them upright or slightly inclined on the bedposts.
Invention and Mechanism
The holder is a multi-piece, telescoping, and rotating support frame designed for universal fit and easy adjustment.
1. Frame and Universal Mounting
- Brackets (B, B): Metal brackets fastened to the bedposts ($b$). The fastening uses clamps (C) that loop around the post and are tightened by a screw ($c’$).
- Function: This method provides a universal mounting solution for posts of various sizes and shapes.
- Central Rod/Rocker-Shaft (D, $D’$): The central support bar is made of two tubes, one sliding within the other (telescoping).
- Adjustable Length: The two tubes are adjustably locked together by a pin (E) passing through aligning holes ($d, d’$) in the tubes.
- Function: By having a series of holes, the length of the shaft can be changed to suit any width of bed.
2. Rotating and Adjustable Supports (Key Innovations)
- Rotation Lock: The shaft (D, $D’$) is mounted to rotate within the brackets (B, B) and can be held in any desired angular position by a spring-pin ($B’, B’$) that engages holes ($B^{2}, B^{2}$) in the tube $D’$.
- Function: This allows the pillow sham to be displayed upright, inclined, or folded down.
- Socket-Pieces (H): Multiple socket-pieces are attached to the shaft (D, $D’$). These receive the ends of the rib-wires (I), which physically support the sham.
- Adjustable Socket (H): One or more socket-pieces (H) are made with a kerf ($H’$ ) (slot) and a clamping-screw ($H”$).
- Function: This adjustable socket is not permanently attached to the shaft and can be placed at any convenient lateral point, allowing for flexibility in how the sham is supported, particularly useful when telescoping the main shaft.
Concepts Influenced by This Invention
Williams’s pillow-sham holder influenced subsequent hardware designs by pioneering the combination of telescoping adjustability with rotational positioning locks.
- Telescoping Length Adjustment with Pin Lock: The core concept of using two tubes with a series of aligned holes locked by a single pin (E) is the standard, most common mechanism for length adjustment in everything from curtain rods and garment racks to tent poles and exercise equipment.
- Rotational Position Lock (Spring Pin): The use of a spring-pin ($B’$) engaging holes ($B^{2}$) in the shaft to lock a component at a specific angle influenced the design of adjustable-angle hardware, such as articulating monitor mounts and adjustable backrests, where the position must be firm but easily releasable.
- Clamping Collar for Flexible Attachment: The use of the slotted socket ($H’$) with a clamping screw ($H”$) to allow a component to be freely positioned anywhere along a shaft and then rigidly locked influenced the design of laboratory stands, camera rigging, and modular shelving systems that require flexible attachment points.
- Universal Post Clamping: The simple clamp (C) that wraps around the bedpost for universal fit influenced the design of various accessory brackets and cup holders that are intended to be retrofitted onto rails or posts of varying diameters.
